руб.
Валюта
€ Euro
$ US Dollar
руб. Рубль
Статьи
Смотреть Весь Статьи
+7 (8352) 28-97-97
Личный кабинет
Регистрация
Авторизация
Закладки (0)
Корзина
Оформление заказа
Товаров: 0 (0 руб.)
Ваша корзина пуста!
Категории
Шариковые
Радиальные (2571)
Упорные (156)
Радиально-упорные (390)
Роликовые
Игольчатые
Подшипники (649)
Сепаратор (212)
Кольца (30)
Корпусные
Корпусные
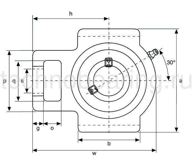
Подшипниковый узел UCT211 TSC
Описание
Производители
TSC
Маркировка ISO:
UCT211TSC
Код ГОСТ:
UCT211TSC
Размеры:
0 × 0 × 0 mm
Наличие: 1
2 063 руб.
Кол-во
Купить