руб.
Валюта
€ Euro
$ US Dollar
руб. Рубль
Статьи
Смотреть Весь Статьи
+7 (8352) 28-97-97
Личный кабинет
Регистрация
Авторизация
Закладки (0)
Корзина
Оформление заказа
Товаров: 0 (0 руб.)
Ваша корзина пуста!
Категории
Шариковые
Радиальные (2571)
Упорные (156)
Радиально-упорные (390)
Роликовые
Игольчатые
Подшипники (649)
Сепаратор (212)
Кольца (30)
Корпусные
Шариковые
Радиальные
Подшипник W6200 SKF
Описание
Характеристики
Характеристики
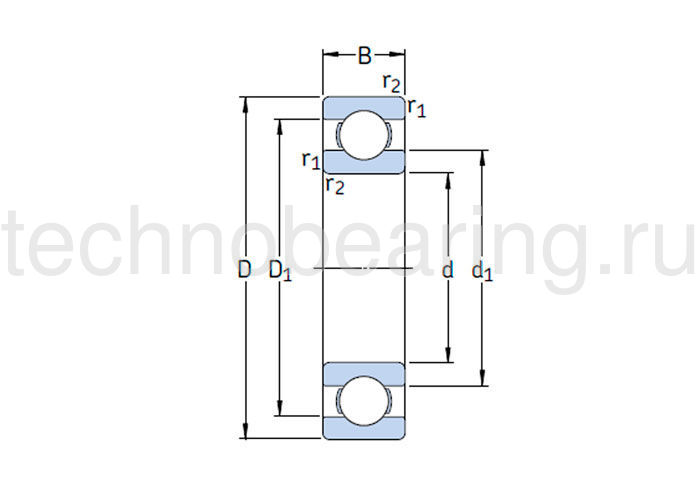
Внутренний диаметр (d), мм
10
Внешний диаметр (D), мм
30
Рядность
Однорядный
Серия
Standart
Тип
Радиальный
Ширина B (H)
9
Размер
10x30x9
Вес, кг
0.032
Альтернативная маркировка BECO
6200 BSS 316
,
6200 BSS
Диапазон температур
от -40° до +100°
Динамическая нагрузка C, kН
5.4
Зазор
CN (нормальный зазор)
Класс точности
P0
Наличие канавки под стопорное кольцо
Нет
Номинальная скорость, об/мин
56000
Предельная скорость, об/мин
34000
Статическая нагрузка C0, kН
2.36
Тип отверстия
Цилиндрическое
Уплотнение
Открытый
Радиальный однорядный шариковый подшипник W6200 SKF [Открытый]
Маркировка ISO:
W6200
Код ГОСТ:
W6200SKF
Размеры:
10 × 30 × 9 mm
Наличие: Под заказ
1 062 руб.
Кол-во
Купить