руб.
Валюта
€ Euro
$ US Dollar
руб. Рубль
Статьи
Смотреть Весь Статьи
+7 (8352) 28-97-97
Личный кабинет
Регистрация
Авторизация
Закладки (0)
Корзина
Оформление заказа
Товаров: 0 (0 руб.)
Ваша корзина пуста!
Категории
Шариковые
Радиальные (2571)
Упорные (156)
Радиально-упорные (390)
Роликовые
Игольчатые
Подшипники (649)
Сепаратор (212)
Кольца (30)
Корпусные
Шариковые
Радиальные
Подшипник W619/6 SKF
Описание
Характеристики
Характеристики
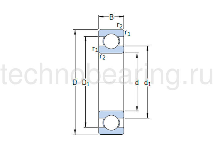
Внутренний диаметр (d), мм
6
Внешний диаметр (D), мм
15
Рядность
Однорядный
Серия
Standart
Тип
Радиальный
Ширина B (H)
5
Размер
6x15x5
Вес, кг
0.0039
Диапазон температур
от -40° до +100°
Динамическая нагрузка C, kН
1.24
Зазор
CN (нормальный зазор)
Класс точности
P0
Наличие канавки под стопорное кольцо
Нет
Номинальная скорость, об/мин
100000
Предельная скорость, об/мин
50000
Статическая нагрузка C0, kН
0.48
Тип отверстия
Цилиндрическое
Уплотнение
Открытый
Радиальный однорядный шариковый подшипник W619/6 SKF [Открытый]
Маркировка ISO:
W619/6
Код ГОСТ:
W619/6SKF
Размеры:
6 × 15 × 5 mm
Наличие: Под заказ
710 руб.
Кол-во
Купить