руб.
Валюта
€ Euro
$ US Dollar
руб. Рубль
Статьи
Смотреть Весь Статьи
+7 (8352) 28-97-97
Личный кабинет
Регистрация
Авторизация
Закладки (0)
Корзина
Оформление заказа
Товаров: 0 (0 руб.)
Ваша корзина пуста!
Категории
Шариковые
Радиальные (2571)
Упорные (156)
Радиально-упорные (390)
Роликовые
Игольчатые
Подшипники (649)
Сепаратор (212)
Кольца (30)
Корпусные
Роликовые
Подшипник N312-ET NSK
Описание
Характеристики
Характеристики
Альтернативная маркировка FAG
N312-E-TVP2
Альтернативная маркировка ISB
N312 ECP
Альтернативная маркировка SKF
N312 ECP
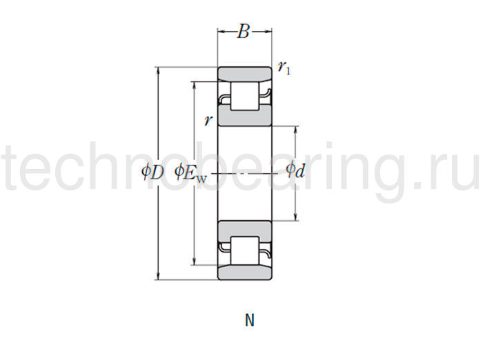
Внутренний диаметр (d), мм
60
Внешний диаметр (D), мм
130
Рядность
Однорядный
Тип
Радиальный
Ширина B (H)
31
Размер
80x170x22
Вес, кг
1.78
Динамическая нагрузка C, kН
124
Зазор
CN (нормальный)
Класс точности
P0
Предельная скорость (жидкое масло), об/мин
5600
Предельная скорость (консистентная смазка), об/мин
4800
Радиус r, мм
2.1
Сепаратор
ET (полиамидный армированный)
Статическая нагрузка C0, kН
126
Тип отверстия
Цилиндрическое
Уплотнение
Открытый
Радиальный Однорядный
Маркировка ISO:
N312ETNSK
Код ГОСТ:
N312ETNSK
Размеры:
60 × 130 × 31 mm
Наличие: 2
11 164 руб.
Кол-во
Купить