руб.
Валюта
€ Euro
$ US Dollar
руб. Рубль
Статьи
Смотреть Весь Статьи
+7 (8352) 28-97-97
Личный кабинет
Регистрация
Авторизация
Закладки (0)
Корзина
Оформление заказа
Товаров: 0 (0 руб.)
Ваша корзина пуста!
Категории
Шариковые
Радиальные (2571)
Упорные (156)
Радиально-упорные (390)
Роликовые
Игольчатые
Подшипники (649)
Сепаратор (212)
Кольца (30)
Корпусные
Шариковые
Радиальные
Подшипник 6302-2RSR FAG
Описание
Характеристики
Характеристики
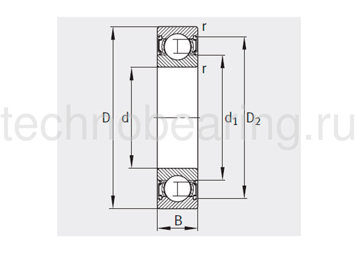
Внутренний диаметр (d), мм
15
Внешний диаметр (D), мм
42
Рядность
Однорядный
Тип
Радиальный
Ширина B (H)
13
Размер
15x42x13
Вес, кг
0.09
Диапазон температур
от -30° до +120°
Динамическая нагрузка C, kН
11.4
Зазор
CN (нормальный зазор)
Класс точности
P0
Предельная нагрузка Cur
350
Предельная скорость, об/мин
18000
Радиус r, мм
1
Статическая нагрузка C0, kН
5.4
Тип отверстия
Цилиндрическое
Уплотнение
Закрытый
Радиальный однорядный шариковый подшипник 6302-2RSR FAG [Закрытый]
Маркировка ISO:
6302-2RSR
Код ГОСТ:
63022RSRFAG
Размеры:
15 × 42 × 13 mm
Наличие: Под заказ
0 руб.
Кол-во
Купить