руб.
Валюта
€ Euro
$ US Dollar
руб. Рубль
Статьи
Смотреть Весь Статьи
+7 (8352) 28-97-97
Личный кабинет
Регистрация
Авторизация
Закладки (0)
Корзина
Оформление заказа
Товаров: 0 (0 руб.)
Ваша корзина пуста!
Категории
Шариковые
Радиальные (2571)
Упорные (156)
Радиально-упорные (390)
Роликовые
Игольчатые
Подшипники (649)
Сепаратор (212)
Кольца (30)
Корпусные
Шариковые
Радиальные
Подшипник 6240 M SKF
Описание
Характеристики
Характеристики
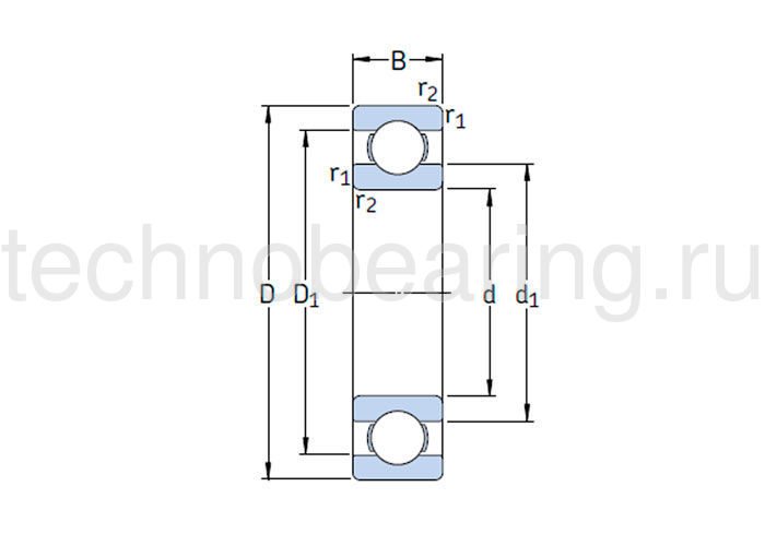
Внутренний диаметр (d), мм
200
Внешний диаметр (D), мм
360
Рядность
Однорядный
Серия
Standart
Тип
Радиальный
Ширина B (H)
58
Размер
200x360x58
Вес, кг
28
Диапазон температур
от -40° до +100°
Динамическая нагрузка C, kН
270
Зазор
CN (нормальный зазор)
Класс точности
P0
Наличие канавки под стопорное кольцо
Нет
Предельная нагрузка Cur
7
Предельная скорость, об/мин
3200
Сепаратор
M (латунный, механически обработанный)
Статическая нагрузка C0, kН
310
Тип отверстия
Цилиндрическое
Уплотнение
Открытый
Радиальный однорядный шариковый подшипник 6240 M SKF [Открытый]
Маркировка ISO:
6240 M
Код ГОСТ:
6240MSKF
Размеры:
200 × 360 × 58 mm
Наличие: Под заказ
111 588 руб.
Кол-во
Купить