руб.
Валюта
€ Euro
$ US Dollar
руб. Рубль
Статьи
Смотреть Весь Статьи
+7 (8352) 28-97-97
Личный кабинет
Регистрация
Авторизация
Закладки (0)
Корзина
Оформление заказа
Товаров: 0 (0 руб.)
Ваша корзина пуста!
Категории
Шариковые
Радиальные (2571)
Упорные (156)
Радиально-упорные (390)
Роликовые
Игольчатые
Подшипники (649)
Сепаратор (212)
Кольца (30)
Корпусные
Шариковые
Радиальные
Подшипник 62304-2RSR FAG
Описание
Характеристики
Характеристики
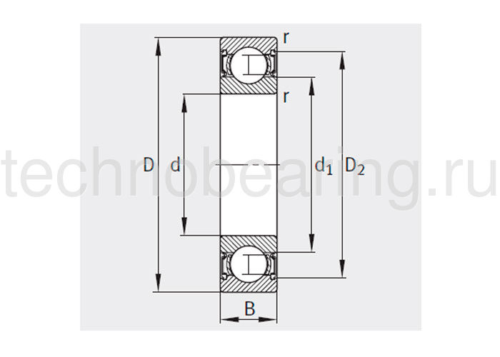
Внутренний диаметр (d), мм
20
Внешний диаметр (D), мм
52
Рядность
Однорядный
Тип
Радиальный
Ширина B (H)
21
Размер
20x52x21
Вес, кг
0.209
B, мм
21
D, мм
52
Диапазон температур
от -30° до +110°
Динамическая нагрузка C, kН
16
Зазор
CN (нормальный зазор)
Класс точности
P0
Предельная нагрузка Cur
495
Предельная скорость, об/мин
9500
Радиус r, мм
1.1
Статическая нагрузка C0, kН
7.8
Тип отверстия
Цилиндрическое
Уплотнение
Закрытый
Радиальный однорядный шариковый подшипник 62304-2RSR FAG [Закрытый]
Маркировка ISO:
62304-2RSR
Код ГОСТ:
623042RSRFAG
Размеры:
20 × 52 × 21 mm
Наличие: 837
838 руб.
Кол-во
Купить