руб.
Валюта
€ Euro
$ US Dollar
руб. Рубль
Статьи
Смотреть Весь Статьи
+7 (8352) 28-97-97
Личный кабинет
Регистрация
Авторизация
Закладки (0)
Корзина
Оформление заказа
Товаров: 0 (0 руб.)
Ваша корзина пуста!
Категории
Шариковые
Радиальные (2571)
Упорные (156)
Радиально-упорные (390)
Роликовые
Игольчатые
Подшипники (649)
Сепаратор (212)
Кольца (30)
Корпусные
Шариковые
Радиальные
Подшипник 6226/C3VL0241 SKF
Описание
Характеристики
Характеристики
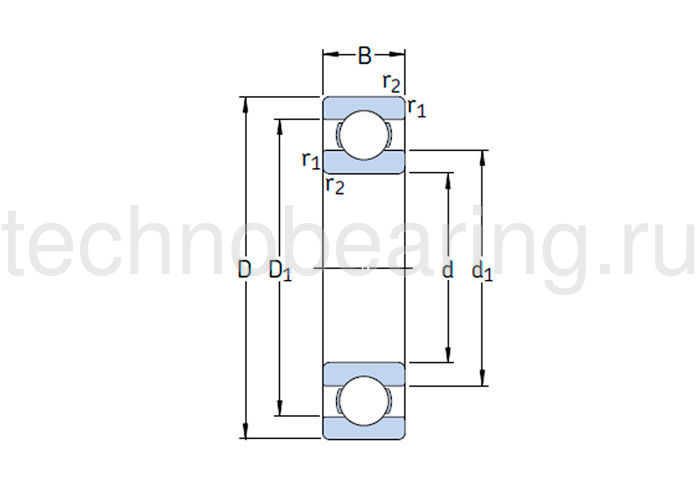
Внутренний диаметр (d), мм
130
Внешний диаметр (D), мм
230
Рядность
Однорядный
Серия
Explorer
Тип
Радиальный
Ширина B (H)
40
Размер
130x230x40
Вес, кг
5.8
Диапазон температур
от -40° до +100°
Динамическая нагрузка C, kН
156
Зазор
C3 (зазор больше нормального)
Изоляция
VL0241 (электроизоляционное покрытие оксидом алюминия наружного кольца, до 1000 В постоянного тока)
Класс точности
P6
Наличие канавки под стопорное кольцо
Нет
Номинальная скорость, об/мин
5600
Предельная нагрузка Cur
4
Предельная скорость, об/мин
3600
Статическая нагрузка C0, kН
132
Тип отверстия
Цилиндрическое
Уплотнение
Открытый
Радиальный однорядный шариковый подшипник 6226/C3VL0241 SKF [Открытый]
Маркировка ISO:
6226/C3VL0241
Код ГОСТ:
6226/C3VL0241SKF
Размеры:
130 × 230 × 40 mm
Наличие: Под заказ
104 260 руб.
Кол-во
Купить