руб.
Валюта
€ Euro
$ US Dollar
руб. Рубль
Статьи
Смотреть Весь Статьи
+7 (8352) 28-97-97
Личный кабинет
Регистрация
Авторизация
Закладки (0)
Корзина
Оформление заказа
Товаров: 0 (0 руб.)
Ваша корзина пуста!
Категории
Шариковые
Радиальные (2571)
Упорные (156)
Радиально-упорные (390)
Роликовые
Игольчатые
Подшипники (649)
Сепаратор (212)
Кольца (30)
Корпусные
Шариковые
Радиальные
Подшипник 6214-2Z FAG
Описание
Характеристики
Характеристики
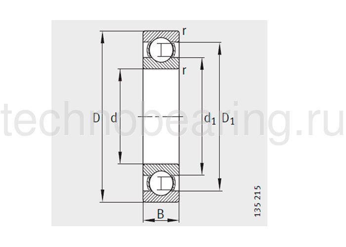
Внутренний диаметр (d), мм
70
Внешний диаметр (D), мм
125
Рядность
Однорядный
Тип
Радиальный
Ширина B (H)
24
Размер
70x125x24
Вес, кг
1.11
Диапазон температур
от -30° до +120°
Динамическая нагрузка C, kН
62
Зазор
CN (нормальный зазор)
Защитные шайбы
2Z (Двусторонняя защитная металлическая шайба)
Класс точности
P0
Предельная нагрузка Cur
2900
Предельная скорость, об/мин
5000
Радиус r, мм
1.5
Статическая нагрузка C0, kН
44
Тип отверстия
Цилиндрическое
Уплотнение
Закрытый
Радиальный однорядный шариковый подшипник 6214-2Z FAG [Закрытый]
Маркировка ISO:
6214-2Z
Код ГОСТ:
00000001343
Размеры:
70 × 125 × 24 mm
Наличие: 1
2 650 руб.
Кол-во
Купить