руб.
Валюта
€ Euro
$ US Dollar
руб. Рубль
Статьи
Смотреть Весь Статьи
+7 (8352) 28-97-97
Личный кабинет
Регистрация
Авторизация
Закладки (0)
Корзина
Оформление заказа
Товаров: 0 (0 руб.)
Ваша корзина пуста!
Категории
Шариковые
Радиальные (2571)
Упорные (156)
Радиально-упорные (390)
Роликовые
Игольчатые
Подшипники (649)
Сепаратор (212)
Кольца (30)
Корпусные
Шариковые
Радиальные
Подшипник 6212-2Z-C3 FAG
Описание
Характеристики
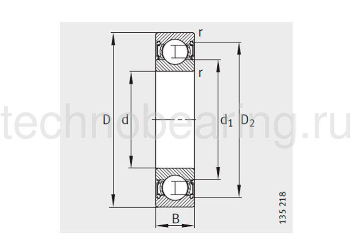
Характеристики
Внутренний диаметр (d), мм
60
Внешний диаметр (D), мм
110
Рядность
Однорядный
Тип
Радиальный
Ширина B (H)
22
Размер
60x110x22
Вес, кг
0.791
Диапазон температур
от -40° до +100°
Динамическая нагрузка C, kН
52
Зазор
C3 (Зазор больше нормального)
Защитные шайбы
ZZ (двусторонняя защитная металлическая шайба)
Класс точности
P0
Предельная скорость, об/мин
14000
Радиус r, мм
1.5
Статическая нагрузка C0, kН
36
Тип отверстия
Цилиндрическое
Уплотнение
Закрытый
Радиальный однорядный шариковый подшипник 6212-2Z-C3 FAG [Закрытый]
Маркировка ISO:
6212-2Z-C3
Код ГОСТ:
62122ZC3FAG
Размеры:
60 × 110 × 22 mm
Наличие: Под заказ
0 руб.
Кол-во
Купить