руб.
Валюта
€ Euro
$ US Dollar
руб. Рубль
Статьи
Смотреть Весь Статьи
+7 (8352) 28-97-97
Личный кабинет
Регистрация
Авторизация
Закладки (0)
Корзина
Оформление заказа
Товаров: 0 (0 руб.)
Ваша корзина пуста!
Категории
Шариковые
Радиальные (2571)
Упорные (156)
Радиально-упорные (390)
Роликовые
Игольчатые
Подшипники (649)
Сепаратор (212)
Кольца (30)
Корпусные
Шариковые
Радиальные
Подшипник 6209/C4 SKF
Описание
Характеристики
Характеристики
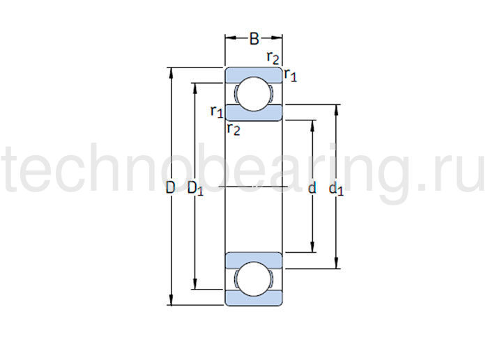
Внутренний диаметр (d), мм
45
Внешний диаметр (D), мм
85
Рядность
Однорядный
Серия
Explorer
Тип
Радиальный
Ширина B (H)
19
Размер
45x85x19
Вес, кг
0.41
Диапазон температур
от -40° до +100°
Динамическая нагрузка C, kН
35.1
Зазор
C4 (зазор больше зазора C3)
Класс точности
P6
Наличие канавки под стопорное кольцо
Нет
Номинальная скорость, об/мин
17000
Предельная скорость, об/мин
11000
Статическая нагрузка C0, kН
21.6
Тип отверстия
Цилиндрическое
Уплотнение
Открытый
Радиальный однорядный шариковый подшипник 6209/C4 SKF [Открытый]
Маркировка ISO:
6209/C4
Код ГОСТ:
6209/C4SKF
Размеры:
45 × 85 × 19 mm
Наличие: Под заказ
1 482 руб.
Кол-во
Купить