руб.
Валюта
€ Euro
$ US Dollar
руб. Рубль
Статьи
Смотреть Весь Статьи
+7 (8352) 28-97-97
Личный кабинет
Регистрация
Авторизация
Закладки (0)
Корзина
Оформление заказа
Товаров: 0 (0 руб.)
Ваша корзина пуста!
Категории
Шариковые
Радиальные (2571)
Упорные (156)
Радиально-упорные (390)
Роликовые
Игольчатые
Подшипники (649)
Сепаратор (212)
Кольца (30)
Корпусные
Шариковые
Радиальные
Подшипник 6208-2RSR-C3 FAG
Описание
Характеристики
Характеристики
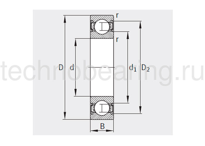
Внутренний диаметр (d), мм
40
Внешний диаметр (D), мм
80
Рядность
Однорядный
Тип
Радиальный
Ширина B (H)
18
Размер
40x80x18
Вес, кг
0.384
Диапазон температур
от -30° до +110°
Динамическая нагрузка C, kН
29
Зазор
C3 (зазор больше нормального)
Класс точности
P0
Предельная нагрузка Cur
1050
Предельная скорость, об/мин
5600
Радиус r, мм
1.1
Статическая нагрузка C0, kН
18
Тип отверстия
Цилиндрическое
Уплотнение
Закрытый
Радиальный однорядный шариковый подшипник 6208-2RSR-C3 FAG [Закрытый]
Маркировка ISO:
6208-2RSR-C3
Код ГОСТ:
62082RSRC3FAG
Размеры:
40 × 80 × 18 mm
Наличие: Под заказ
0 руб.
Кол-во
Купить