руб.
Валюта
€ Euro
$ US Dollar
руб. Рубль
Статьи
Смотреть Весь Статьи
+7 (8352) 28-97-97
Личный кабинет
Регистрация
Авторизация
Закладки (0)
Корзина
Оформление заказа
Товаров: 0 (0 руб.)
Ваша корзина пуста!
Категории
Шариковые
Радиальные (2571)
Упорные (156)
Радиально-упорные (390)
Роликовые
Игольчатые
Подшипники (649)
Сепаратор (212)
Кольца (30)
Корпусные
Шариковые
Радиальные
Подшипник 60002Z FAG
Описание
Характеристики
Характеристики
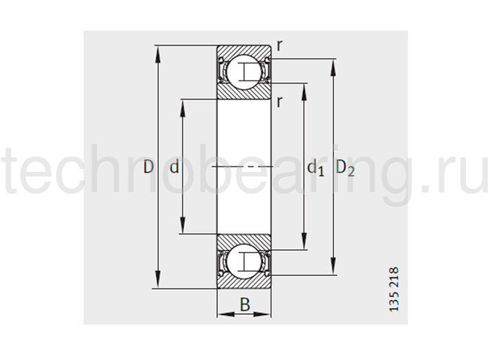
Внутренний диаметр (d), мм
10
Внешний диаметр (D), мм
26
Рядность
Однорядный
Тип
Радиальный
Ширина B (H)
8
Размер
10x26x8
Вес, кг
0.02
Диапазон температур
от -30° до +120°
Динамическая нагрузка C, kН
4.55
Зазор
CN (нормальный зазор)
Защитные шайбы
2Z (Двусторонняя защитная металлическая шайба)
Класс точности
P0
Предельная нагрузка Cur
93
Предельная скорость, об/мин
28000
Радиус r, мм
0.3
Статическая нагрузка C0, kН
1.96
Тип отверстия
Цилиндрическое
Уплотнение
Закрытый
Радиальный однорядный шариковый подшипник 60002Z FAG [Закрытый]
Маркировка ISO:
60002Z
Код ГОСТ:
60002ZFAG
Размеры:
10 × 26 × 8 mm
Наличие: 103
104 руб.
Кол-во
Купить