руб.
Валюта
€ Euro
$ US Dollar
руб. Рубль
Статьи
Смотреть Весь Статьи
+7 (8352) 28-97-97
Личный кабинет
Регистрация
Авторизация
Закладки (0)
Корзина
Оформление заказа
Товаров: 0 (0 руб.)
Ваша корзина пуста!
Категории
Шариковые
Радиальные (2571)
Упорные (156)
Радиально-упорные (390)
Роликовые
Игольчатые
Подшипники (649)
Сепаратор (212)
Кольца (30)
Корпусные
Роликовые
Подшипник 33209/Q SKF
Описание
Характеристики
Характеристики
Альтернативная маркировка FAG
[33209===6930801]
Альтернативная маркировка ISB
[33209===335551411]
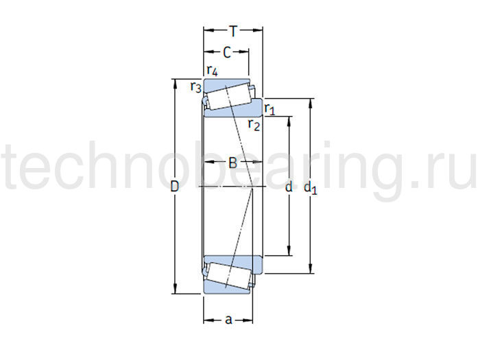
Внешний диаметр (D), мм
85
Рядность
Однорядный
Тип
Радиально-упорный
Ширина B (H)
32
Размер
45x85x32
Вес, кг
0.82
Диапазон температур
от -30° C до +120° C
Динамическая нагрузка C, N
108000
Зазор
CN (нормальный)
Класс точности
P0
Радиус r, мм
1.5
Статическая нагрузка C0, N
143000
Тип отверстия
Коническое
Уплотнение
Открытый
Радиально-упорный Однорядный
Маркировка ISO:
33209/QSKF
Код ГОСТ:
33209/QSKF
Размеры:
× 85 × 32 mm
Наличие: Под заказ
2 326 руб.
Кол-во
Купить