руб.
Валюта
€ Euro
$ US Dollar
руб. Рубль
Статьи
Смотреть Весь Статьи
+7 (8352) 28-97-97
Личный кабинет
Регистрация
Авторизация
Закладки (0)
Корзина
Оформление заказа
Товаров: 0 (0 руб.)
Ваша корзина пуста!
Категории
Шариковые
Радиальные (2571)
Упорные (156)
Радиально-упорные (390)
Роликовые
Игольчатые
Подшипники (649)
Сепаратор (212)
Кольца (30)
Корпусные
Роликовые
Подшипник 32304 J2/Q SKF
Описание
Характеристики
Характеристики
Альтернативная маркировка FAG
[32304-A===6927601]
Альтернативная маркировка ISB
[32304===335540011]
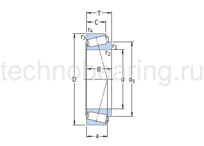
Внешний диаметр (D), мм
52
Рядность
Однорядный
Тип
Радиально-упорный
Ширина B (H)
22.25
Размер
20x52x22.25
Вес, кг
0.23
Диапазон температур
от -30° C до +120° C
Динамическая нагрузка C, N
44000
Зазор
CN (нормальный)
Класс точности
P0
Радиус r, мм
1.5
Сепаратор
J2 (штампованный стальной)
Статическая нагрузка C0, N
45500
Тип отверстия
Цилиндрическое
Уплотнение
Открытый
Радиально-упорный Однорядный
Маркировка ISO:
32304J2/QSKF
Код ГОСТ:
32304J2/QSKF
Размеры:
20 × 52 × 22 mm
Наличие: Под заказ
1 160 руб.
Кол-во
Купить