руб.
Валюта
€ Euro
$ US Dollar
руб. Рубль
Статьи
Смотреть Весь Статьи
+7 (8352) 28-97-97
Личный кабинет
Регистрация
Авторизация
Закладки (0)
Корзина
Оформление заказа
Товаров: 0 (0 руб.)
Ваша корзина пуста!
Категории
Шариковые
Радиальные (2571)
Упорные (156)
Радиально-упорные (390)
Роликовые
Игольчатые
Подшипники (649)
Сепаратор (212)
Кольца (30)
Корпусные
Роликовые
Подшипник 32216 J2/Q SKF
Описание
Характеристики
Характеристики
Альтернативная маркировка FAG
32216-A
Альтернативная маркировка ISB
[32216===335536611]
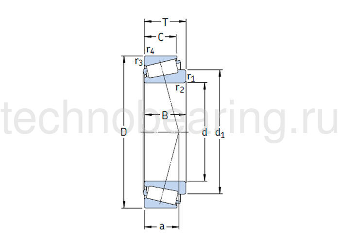
Внешний диаметр (D), мм
140
Рядность
Однорядный
Тип
Радиально-упорный
Ширина B (H)
35.25
Размер
80x140x35.25
Вес, кг
2.05
Диапазон температур
от -30° C до +120° C
Динамическая нагрузка C, N
187000
Зазор
CN (нормальный)
Класс точности
P0
Радиус r, мм
2.5
Сепаратор
J2 (штампованный стальной)
Статическая нагрузка C0, N
245000
Тип отверстия
Коническое
Уплотнение
Открытый
Радиально-упорный Однорядный
Маркировка ISO:
32216J2/QSKF
Код ГОСТ:
32216J2/QSKF
Размеры:
× 140 × 35 mm
Наличие: Под заказ
0 руб.
Кол-во
Купить