руб.
Валюта
€ Euro
$ US Dollar
руб. Рубль
Статьи
Смотреть Весь Статьи
+7 (8352) 28-97-97
Личный кабинет
Регистрация
Авторизация
Закладки (0)
Корзина
Оформление заказа
Товаров: 0 (0 руб.)
Ваша корзина пуста!
Категории
Шариковые
Радиальные (2571)
Упорные (156)
Радиально-упорные (390)
Роликовые
Игольчатые
Подшипники (649)
Сепаратор (212)
Кольца (30)
Корпусные
Роликовые
Подшипник 30304 J2/Q SKF
Описание
Характеристики
Характеристики
Альтернативная маркировка FAG
30304-A
Альтернативная маркировка ISB
[30304===7605401]
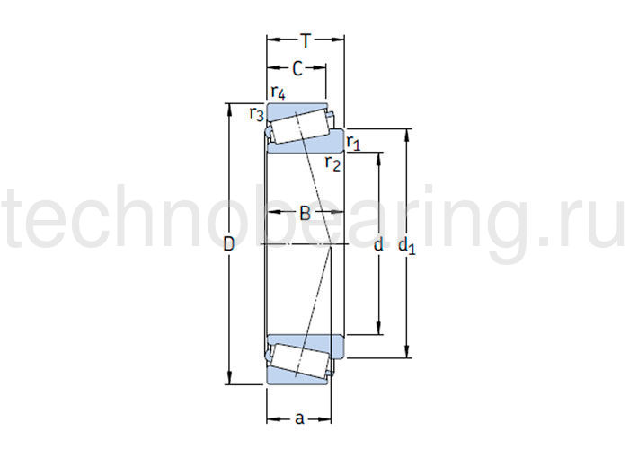
Внутренний диаметр (d), мм
20
Внешний диаметр (D), мм
52
Рядность
Однорядный
Серия
Standart
Тип
Радиально-упорный
Ширина B (H)
15
Размер
20x52x15
Вес, кг
0.17
A, мм
11
C, мм
13
r, мм
1.5
T, мм
16.25
Диапазон температур
от -40° до +100°
Динамическая нагрузка C, kН
34.1
Зазор
CN (нормальный)
Класс точности
P0
Предельная скорость, об/мин
14000
Радиус r, мм
1.5
Сепаратор
J2 (штампованный стальной)
Статическая нагрузка C0, kН
32.5
Тип отверстия
Цилиндрическое
Уплотнение
Открытый
Радиально-упорный Однорядный
Маркировка ISO:
30304J2/QSKF
Код ГОСТ:
30304J2/QSKF
Размеры:
20 × 52 × 15 mm
Наличие: 8
953 руб.
Кол-во
Купить