руб.
Валюта
€ Euro
$ US Dollar
руб. Рубль
Статьи
Смотреть Весь Статьи
+7 (8352) 28-97-97
Личный кабинет
Регистрация
Авторизация
Закладки (0)
Корзина
Оформление заказа
Товаров: 0 (0 руб.)
Ваша корзина пуста!
Категории
Шариковые
Радиальные (2571)
Упорные (156)
Радиально-упорные (390)
Роликовые
Игольчатые
Подшипники (649)
Сепаратор (212)
Кольца (30)
Корпусные
Роликовые
Подшипник 30210 J2/Q SKF
Описание
Характеристики
Характеристики
Альтернативная маркировка FAG
30210-A
Альтернативная маркировка ISB
[30210===335518211]
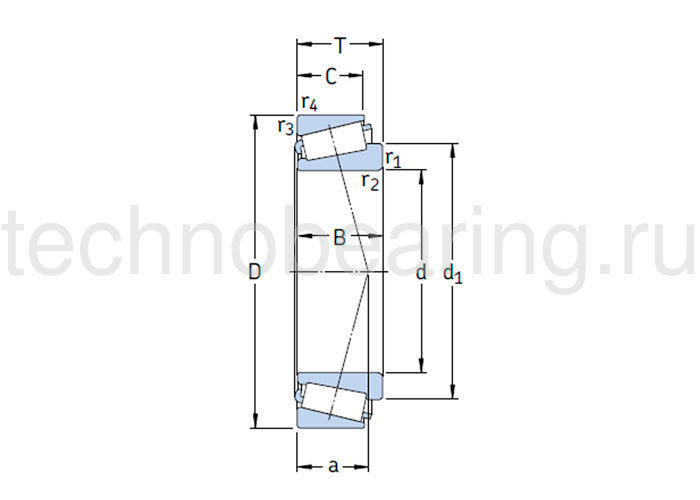
Внутренний диаметр (d), мм
50
Внешний диаметр (D), мм
90
Рядность
Однорядный
Серия
Standart
Тип
Радиально-упорный
Ширина B (H)
20
Вес, кг
0.54
A, мм
19
C, мм
17
r, мм
1.5
T, мм
21.75
Диапазон температур
от -40° до +100°
Динамическая нагрузка C, kН
76.5
Зазор
CN (нормальный)
Класс точности
P0
Предельная скорость, об/мин
7500
Радиус r, мм
1.5
Сепаратор
J2 (штампованный стальной)
Статическая нагрузка C0, kН
91.5
Тип отверстия
Цилиндрическое
Уплотнение
Открытый
Радиально-упорный Однорядный
Маркировка ISO:
30210J2/QSKF
Код ГОСТ:
30210J2/QSKF
Размеры:
50 × 90 × 20 mm
Наличие: Под заказ
1 242 руб.
Кол-во
Купить