руб.
Валюта
€ Euro
$ US Dollar
руб. Рубль
Статьи
Смотреть Весь Статьи
+7 (8352) 28-97-97
Личный кабинет
Регистрация
Авторизация
Закладки (0)
Корзина
Оформление заказа
Товаров: 0 (0 руб.)
Ваша корзина пуста!
Категории
Шариковые
Радиальные (2571)
Упорные (156)
Радиально-упорные (390)
Роликовые
Игольчатые
Подшипники (649)
Сепаратор (212)
Кольца (30)
Корпусные
Шариковые
Радиально-упорные
Подшипник 2204-2RS-TVH FAG
Описание
Характеристики
Характеристики
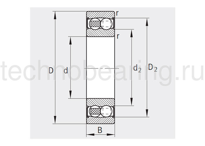
Внутренний диаметр (d), мм
20
Внешний диаметр (D), мм
47
Рядность
Двухрядный
Тип
Радиально-упорный
Ширина B (H)
18
Размер
20x47x18
Вес, кг
0.151
Диапазон температур
от -40° до +80°
Динамическая нагрузка C, kН
10.1
Зазор
CN (нормальный зазор)
Класс точности
P0
Предельная скорость, об/мин
11000
Радиус r, мм
1
Сепаратор
TVH (полиамидный)
Статическая нагрузка C0, kН
2.6
Тип отверстия
Цилиндрическое
Уплотнение
Закрытый
Радиально-упорный двухрядный подшипник 2204-2RS-TVH FAG
Маркировка ISO:
2204-2RS-TVH
Код ГОСТ:
22042RSTVHFAG
Размеры:
20 × 47 × 18 mm
Наличие: Под заказ
0 руб.
Кол-во
Купить